ECScrysta晶振,贴片晶振,CSM-3X晶振,49SMD晶振,接近35年的服务国际公司,ECS,Inc.国际的人员将有望继续发展和领导作为全球电子领域的主要来源。蓝牙:蓝牙无线技术等已被设计为消除了当地环境中电缆的需求,我们的许多高可靠性,高频率,小型化的频率控制管理设备都适用于这种技术,即互连和快速部署计算机,手机,短距离手持设备,个人广域网或自组织网络。
ECS晶振有限公司.进行协同集团全球环境保全措施作为全球业务支持一个可持续发展的社会发展.ECS晶振公司环保环境与发展对策:实行可持续发展战略。采取有效措施,防治工业污染。提高无源晶振能源利用效率,改善能源结构。运用经济手段保护环境。大力推进科技进步,加强环境科学研究,积极发展环境保护产业。健全环境法规,强化环境管理。加强环境教育,不断提高环境意识。
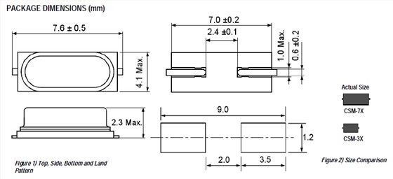
贴片石英晶振,体积小,焊接可采用自动贴片系统,产品本身小型,表面贴片晶振,特别适用于有小型化要求的电子数码产品市场领域,因产品小型,薄型优势,耐环境特性,包括耐高温,耐冲击性等,在移动通信领域得到了广泛的应用,晶振产品本身可发挥优良的电气特性,满足无铅焊接的高温回流温度曲线要求.ECScrysta晶振,贴片晶振,CSM-3X晶振,49SMD晶振
贴片晶振晶片边缘处理技术:石英晶振是晶片通过滚筒倒边,主要是为了去除石英晶振晶片的边缘效应,在实际操作中机器运动方式设计、滚筒的曲率半径、滚筒的长短、使用的研磨砂的型号、多少、填充物种类及多少等各项设计必须合理,有一项不完善都会使晶振晶片的边缘效应不能去除,而石英晶振晶片的谐振电阻过大,用在电路中Q值过小,从而电路不能振动或振动了不稳定。
|
ECS晶振规格 |
单位 |
CSM-3X晶振 |
石英晶振基本条件 |
|
标准频率 |
f_nom |
6~40MHZ |
标准频率 |
|
储存温度 |
T_stg |
-40°C~+85°C |
裸存 |
|
工作温度 |
T_use |
-10°C~+70°C |
标准温度 |
|
激励功率 |
DL |
100μW Max. |
推荐:100μW |
|
频率公差 |
f_— l |
±30× 10-6(标准), |
+25°C对于超出标准的规格说明, |
|
频率温度特征 |
f_tem |
±50× 10-6/-20°C~+70°C |
超出标准的规格请联系我们. |
|
负载电容 |
CL |
10,20PF |
不同负载电容要求,请联系我们. |
|
串联电阻(ESR) |
R1 |
如下表所示 |
-40°C —+85°C,DL = 100μW |
|
频率老化 |
f_age |
±5× 10-6/ year Max. |
+25°C,第一年 |
存储事项:(1) 在更高或更低温度或高湿度环境下长时间保存49S型贴片晶振时,会影响频率稳定性或焊接性。请在正常温度和湿度环境下保存这些石英晶振产品,并在开封后尽可能进行安装,以免长期储藏。 正常温度和湿度: 温度:+15°C 至 +35°C,湿度 25 % RH 至 85 % RH。 (2) 请仔细处理内外盒与卷带。外部压力会导致卷带受到损坏。ECScrysta晶振,贴片晶振,CSM-3X晶振,49SMD晶振
耐焊性:将晶振加热包装材料至+150°C以上会破坏产品特性或损害产品。如需在+150°C以上焊接石英晶振,建议使用SMD晶振产品。在下列回流条件下,对石英晶振产品甚至49S贴片晶振使用更高温度,会破坏晶振特性。建议使用下列配置情况的回流条件。安装这些贴片晶振之前,应检查焊接温度和时间。同时,在安装条件更改的情况下,请再次进行检查。如果需要焊接的晶振产品在下列配置条件下进行焊接,请联系我们以获取耐热的相关信息。
耐高温环境晶振自动安装和真空化引发的冲击会破坏产品特性并影响这些产品。请设置安装条件以尽可能将冲击降至最低,并确保在安装前未对晶振特性产生影响。条件改变时,请重新检查安装条件。同时,在安装前后,请确保石英晶振产品未撞击机器或其他电路板等。





CTS晶振,贴片晶振,ATSSMGL晶振,无源晶振
ECScrysta晶振,贴片晶振,CSM-7X-3L晶振,石英晶振
ECScrysta晶振,贴片晶振,CSM-4AX晶振,进口晶振
ECScrysta晶振,贴片晶振,CSM-7SSX晶振,无源晶振