美国HEC晶振/HE-MCC-32贴片晶体/44MHZ晶体谐振器/6G室外基站晶振,HEC石英晶体,欧美进口晶振,石英晶体谐振器,无源贴片晶振,贴片谐振器,水晶振动子,3225石英晶振,四脚贴片晶振,石英贴片晶振,无源石英晶振,低损耗晶体,高质量石英晶振,轻薄型晶振,6G室外基站专用晶振,无线通信晶振,网络设备晶振,具有轻薄小的特点.
HE-MCC-32是最紧凑的全陶瓷表面贴装晶体在行业中,带有封装尺寸仅为3.2x2.5x0.7毫米。此石英晶体提供具有从13MHz到48MHz的宽频率范围,基本工作模式,承受IR或气相回流焊接工艺和稳定性在-30°C至+85°C温度范围内,紧密度可达±15PPM(选定频率),使HE-MCC-32非常适合空间有限的应用。美国HEC晶振/HE-MCC-32贴片晶体/44MHZ晶体谐振器/6G室外基站晶振.
美国HEC晶振/HE-MCC-32贴片晶体/44MHZ晶体谐振器/6G室外基站晶振参数表
| PARAMETERS | CONDITIONS | MINIMUM | STANDARD | MAXIMUM | UNIT | ||||||||||||||||
| FREQUENCY RANGE | 44.000 |
|
MHz | ||||||||||||||||||
| FREQ. TOLERANCE | at 25 °C | -50* | PPM | ||||||||||||||||||
|
FREQ. STABILITY (reference @ 25°C) |
-10 °C to +60 °C | -50* | PPM | ||||||||||||||||||
| OPERATING TEMPERATURE | -10 °C to +60 °C // -40 °C to +85 °C Optional | °C | |||||||||||||||||||
| STORAGE TEMPERATURE | -40 °C to +85 °C // -55 °C to +125 °C Optional | °C | |||||||||||||||||||
| SHUNT CAPACITANCE (CO) | 5.0 | pF | |||||||||||||||||||
| LOAD CAPACITANCE (CL) | To be specified | 6.0 | 18.0 | pF | |||||||||||||||||
| DRIVE LEVEL | 12.800 - 80.000 MHz | 0.1 | mW | ||||||||||||||||||
| AGING CHARACTERISTICS |
±5 PPM max. @ 25 °C per year |
||||||||||||||||||||
| * Tight tolerances optional - please specify | |||||||||||||||||||||
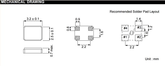
美国HEC晶振/HE-MCC-32贴片晶体/44MHZ晶体谐振器/6G室外基站晶振 尺寸图
贴片晶振产品特性:
小包装尺寸3.2x2.5x0.7mm。
卓越的耐热性
更多相关HEC晶振型号,请咨询我们!




精工晶振,32.768K晶振,SSP-T7-F晶振
TXC晶振,贴片晶振,7B晶振,7B08070001晶振
TXC晶振,贴片晶振,7M晶振,7M-12.000MAHE-T晶振
TXC晶振,贴片晶振,7V晶振,7V-27.120MAAV-T晶振
EH2600ETTTS-100.000M,Ecliptek晶振厂家,7050mm,低电压晶振
DSC1003DE1-048.0000T,2520mm,Microchip贴片晶振,监控摄像头晶振
DSC1025BI1-125.0000,5032mm有源晶振,Microchip消费电子晶振
ARGO雅士博晶振,AGXO-S7050晶振,石英晶振,有源晶振
无源石英晶振,雅士博晶振,两脚插件晶体,AGX-T38高品质晶振