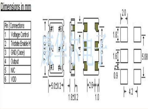
STD晶振,V51A0D-20M000000-A晶振,VCXO压控晶振压控晶振(VCXO)是通过红外加控制电压使振荡效率可变或是可以调制的石英晶体振荡器,其振荡频率由晶体决定,可用控制电压在小范围内进行频率调整。VCXO 大多用于锁相技术、频率负反馈调制的目的。 控制电压范围一般为0V至2V或0V至3V。VCXO的调谐范围为±100ppm至±200ppm。
STD晶振公司自1957年开始营业。它位于洛杉矶县的艾尔蒙特市。1993年,我们增加了在中国生产产品的能力。主要生产石英晶体,无源晶振,有源晶振,贴片晶振,压控晶振,温补晶振,恒温晶振,陶瓷晶振,石英晶体振荡器等,这为我们提供了大批量生产和小批量生产的优势,以满足我们所有客户的需求。最现代和最先进的设备用于高效,准确地测试和制造每个晶体和混合振荡器。所有晶体和振荡器设计都经过计算机化,以尽量减少误差。我们公司还提供应用协助和研发能力,可供内部和客户使用。
| Frequency Range | 8MHz to 36MHz | |
| Storage Temperature Range | -50EC to 125EC | |
| Operating Temperature Range | 0EC to 70EC or -40EC to 85EC | |
| Input Voltage | +5V ± 0.5V | +3.3V ± 0.3V |
| Frequency Control | +0.5V to +4.5V | +0.3V to +3.0V |
| Frequency Deviation | ± 80ppm Min. | ± 100ppm Min. |
| Control Voltage | 2.5 ± 2.0V | 1.65 ± 1.5V |
| Input Current | 30mA Max. | 20mA Max. |
| Output Rise / Fall Time, Output Symmetry | 80Sec. Max., 40 / 60% | |
| Output Load | 15pF | |
STD晶振,V51A0D-20M000000-A晶振,VCXO压控晶振
热影响
重复的温度巨大变化可能会降低受损害的石英晶振产品特性,并导致塑料封装里的线路击穿.必须避免这种情况.
安装方向
石英晶体振荡器的不正确安装会导致故障以及崩溃,因此安装时,请检查安装方向是否正确.
通电
不建议从中间电位和/或极快速通电,否则会导致无法产生振荡和/或非正常工作.
有源晶振的负载电容与阻抗
负载电容与阻抗有源晶振设置一个规定的负载阻抗值.当一个值除了规定的一个设置为负载阻抗输出频率和输出电平不会满足时,指定的值这可能会导致问题例如:失真的输出波形.特别是设置电抗,根据规范的负载阻抗.输出频率和输出电平,当测量输出频率或输出水平,晶体振荡器调整的输入阻抗,测量仪器的负载阻抗晶体振荡器.当输入阻抗的测量仪器,不同的负载阻抗的晶体振荡器,测量输出频率或输出水平高,阻抗阻抗测量可以忽略.
抗冲击
抗冲击是指石英晶振产品可能会在某些条件下受到损坏.例如从桌上跌落,摔打,高空抛压或在贴装过程中受到冲击.如果产品已受过冲击请勿使用.因为无论何种石英贴片晶振,其内部晶片都是贴片晶振制作而成的,高空跌落摔打都会给晶振照成不良影响.
耐焊性:
将晶振加热包装材料至+150℃以上会破坏产品特性或损害产品.如需在+150℃以上焊接石英晶振,建议使用有源贴片晶振产品.在下列回流条件下,对石英耐高温晶振产品甚至晶振使用更高温度,会破坏晶振特性.建议使用下列配置情况的回流条件.安装这些贴片晶振之前,应检查焊接温度和时间.同时,在安装条件更改的情况下,请再次进行检查.如果需要焊接的晶振产品在下列配置条件下进行焊接,请联系我们以获取耐热的相关信息.




FMI晶振,FMOC3S晶振,FMOC3S00AS/T-24.000MHZ-CM晶振
STD晶振,T-2PAD晶振,AAS20M000000FLE18H晶振
NEL晶振,B6-X142X晶振,B6-A142C-FREQ晶振
NEL晶振,B6-X144X晶振,B6-A1447-FREQ晶振
NEL晶振,SC-1420晶振,SC-A142B-FREQ晶振
NEL晶振,SC-A1420晶振,SC-A142B-FREQ晶振
NEL晶振,SC-A1440晶振,SC-A144B-FREQ晶振
NEL晶振,SC-A1460晶振,SC-A1467-FREQ晶振
NEL晶振,SC-A1470晶振,SC-A147C-FREQ晶振
NEL晶振,SC-C1420晶振,SC-C1427-FREQ晶振