津绽石英科技股份有限公司为专业的石英晶体谐振器频率控制装置制造商。我们的主要生产产品为全系列石英晶体振荡子(DIP&SMD X'TAL),晶体振荡器(SMD OSLLATOR)和电压晶体控制振荡器(SMD VCXO)。津绽石英科技股份有限公司拥有超过10年以上的生产经验,秉持着持续开发与专业技术支持,提供使用者最佳的解决方案及最佳的服务品质。NSK之环境管制物质控制规范,系依「欧盟RoHS指令标准参数」,「REACh法规」,「SONY技术标准SS-00259」以及其他客户要求NSK之环境管制物质控制规范。
NSK是津绽石英科技股份有限公司于全球的销售品牌,具有良好竞争性的价格及灵活快速的交易管理。NSK的进口晶振产品被广泛地运用在个人计算机,安全系统,通讯,无线应用,遥控单元和消费性电子产品等,并已陆续获得国内外电脑及通讯大厂认可及使用。NSK已获得ISO 9001 / ISO 14001的品质和环保认证,产品并通过及符合Rohs规范的要求,且确实配合客户实现无毒产品的要求,以创造及维护美好环境为己任。
NSK晶振,插件晶振,NXF 3-8晶振,无源谐振器,插件石英晶振最适合用于比较低端的电子产品,比如儿童玩具,普通家用电器,即使在汽车电子领域中也能使产品高可靠性的使用.并且可用于安全控制装置的CPU时钟信号发生源部分,好比时钟单片机上的石英晶振,在极端严酷的环境条件下,晶振也能正常工作,具有稳定的起振特性,高耐热性,耐热循环性和耐振性等的高可靠性能,由于在49/U形晶体谐振器的底部装了树脂底座,就可作为产品电气特性和高可靠性无受损的表面贴片型晶体谐振器使用,满足无铅焊接的回流温度曲线要求.
石英晶振真空退火技术:石英晶振高真空退火处理是消除贴片晶振在加工过程中产生的应力及轻微表面缺陷。在PLC控制程序中输入已设计好的温度曲线,使真空室温度跟随设定曲线对晶体组件进行退火,石英晶振通过合理的真空退火技术可提高晶振主要参数的稳定性,以及提高石英晶振的年老化特性。
|
NSK晶振规格 |
单位 |
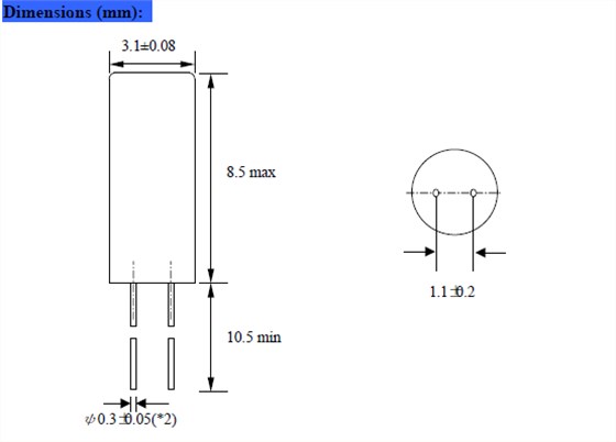
NXF 3-8晶振频率 |
石英晶振基本条件 |
|
标准频率 |
f_nom |
32.768KHZ |
标准频率 |
|
储存温度 |
T_stg |
-40°C~+85°C |
裸存 |
|
工作温度 |
T_use |
-10°C~+70°C |
标准温度 |
|
激励功率 |
DL |
1~10μW |
推荐:1μW~1000μW |
|
频率公差 |
f_— l |
±20× 10-6(标准), |
+25°C对于超出标准的规格说明, |
|
频率温度特征 |
f_tem |
-0.04±0.006× 10-6/-20°C~+70°C |
超出标准的规格请联系我们. |
|
负载电容 |
CL |
12.5pF |
超出标准说明,请联系我们. |
|
串联电阻(ESR) |
R1 |
如下表所示 |
-40°C —+85°C,DL = 100μW |
|
频率老化 |
f_age |
±3× 10-6/ year Max. |
+25°C,第一年 |
所有产品的共同点1:抗冲击:抗冲击是指3*8两脚32.768K晶振产品可能会在某些条件下受到损坏。例如从桌上跌落,摔打,高空抛压或在贴装过程中受到冲击。如果产品已受过冲击请勿使用。因为无论何种石英晶振,其内部晶片都是制作而成的,高空跌落摔打都会给晶振照成不良影响。 2:辐射:将贴片晶振暴露于辐射环境会导致产品性能受到损害,因此应避免阳光长时间的照射。 3:化学制剂 / pH值环境:请勿在PH值范围可能导致腐蚀或溶解石英晶振或包装材料的环境下使用或储藏这些产品。NSK晶振,插件晶振,NXF 3-8晶振,无源谐振器
4:粘合剂:请勿使用可能导致圆柱石英晶振所用的封装材料,终端,组件,玻璃材料以及气相沉积材料等受到腐蚀的胶粘剂。(比如,氯基胶粘剂可能腐蚀一个晶振的金属“盖”,从而破坏密封质量,降低性能。) 5:卤化合物:请勿在卤素气体环境下使用。即使少量的卤素气体,比如在空气中的氯气内或封装所用金属部件内,都可能产生腐蚀。同时,请勿使用任何会释放出卤素气体的树脂。6:静电:过高的静电可能会损坏贴片晶振,请注意抗静电条件。请为容器和封装材料选择导电材料。在处理的时候,请使用电焊枪和无高电压泄漏的测量电路,并进行接地操作.
使用产品时,请在规格说明3*8插件晶振产品目录规定使用条件下使用。因很多种产品性能,以及材料有所不同,所以使用注意事项也有所不同,比如焊接模式,运输模式,保存模式等等,都会有所差别。




EPSON晶振,石英晶振,C-001R晶振,插件晶振
ECScrysta晶振,石英晶振,ECS-3X8X晶振,32.768K晶振
NAKA晶振,插件晶振,XB3080晶振,石英晶振