津绽石英科技股份有限公司为专业的石英晶体谐振器频率控制装置制造商。我们的主要生产产品为全系列石英晶体振荡子(DIP&SMD X'TAL),晶体振荡器(SMD OSLLATOR)和电压晶体控制振荡器(SMD VCXO)。津绽石英科技股份有限公司拥有超过10年以上的生产经验,秉持着持续开发与专业技术支持,提供使用者最佳的解决方案及最佳的服务品质。NSK之环境管制物质控制规范,系依「欧盟RoHS指令标准参数」,「REACh法规」,「SONY技术标准SS-00259」以及其他客户要求NSK之环境管制物质控制规范。
NSK是津绽石英科技股份有限公司于全球的销售品牌,具有良好竞争性的价格及灵活快速的交易管理。NSK的石英晶振产品被广泛地运用在个人计算机,安全系统,通讯,无线应用,遥控单元和消费性电子产品等,并已陆续获得国内外电脑及通讯大厂认可及使用。NSK已获得ISO 9001 / ISO 14001的品质和环保认证,产品并通过及符合Rohs规范的要求,且确实配合客户实现无毒产品的要求,以创造及维护美好环境为己任。
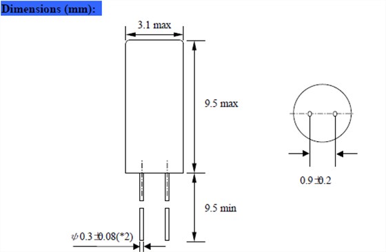
NSK晶振,插件晶振,NXF 3-9晶振,进口谐振器,引脚焊接型石英晶体元件.工厂仓库长时间大量库存常用频点,高精度的频率和晶振本身更低的等效串联电阻,常用负载电容.49/U石英晶振,因插件型晶体成本更低和更高的批量生产能力,主要应用于电视,机顶盒,LCDM和游戏机家用常规电器数码产品等的最佳选择.符合RoHS/无铅.
晶振的真空封装技术:是指台产晶振在真空封装区域内进行封装。1.防止外界气体进入组件体内受到污染和增加应力的产生;2.使晶振组件在真空下电阻减小;3.气密性高。此技术为研发及生产超小型、超薄型石英晶振必须攻克的关键技术之一。
|
NSK晶振规格 |
单位 |
NXF 3-9晶振频率 |
石英晶振基本条件 |
|
标准频率 |
f_nom |
3.579545MHz~160MHz |
标准频率 |
|
储存温度 |
T_stg |
-40°C~+85°C |
裸存 |
|
工作温度 |
T_use |
-10°C~+70°C |
标准温度 |
|
激励功率 |
DL |
10~100μW |
推荐:1μW~1000μW |
|
频率公差 |
f_— l |
±10,20,30× 10-6(标准), |
+25°C对于超出标准的规格说明, |
|
频率温度特征 |
f_tem |
±10,20,30× 10-6/-20°C~+70°C |
超出标准的规格请联系我们. |
|
负载电容 |
CL |
10~32pF |
超出标准说明,请联系我们. |
|
串联电阻(ESR) |
R1 |
如下表所示 |
-40°C —+85°C,DL = 100μW |
|
频率老化 |
f_age |
±3× 10-6/ year Max. |
+25°C,第一年 |
各项注意事项:产品使用每种产品时,请在规格说明二脚焊接进口谐振器产品目录规定使用条件下使用。因很多种产品性能,以及材料有所不同,所以使用注意事项也有所不同,比如焊接模式,运输模式,保存模式等等,都会有所差别。NSK晶振,插件晶振,NXF 3-9晶振,进口谐振器
产品3×9圆柱晶振设计和生产直到出厂,都会经过严格的测试检测来满足它的规格要求。通过严格的出厂前可靠性测试以提供高质量高的可靠性的.但是为了的品质和可靠性,必须在适当的条件下存储,安 装,运输。请注意以下的注意事项并在最佳的条件下使用产品,我们将对于客户按自己的判断而使用石英晶振所导致的不良不负任何责任。
机械振动的影响:当石英圆柱晶振产品上存在任何给定冲击或受到周期性机械振动时,比如:压电扬声器,压电蜂鸣器,以及喇叭等,输出频率和幅度会受到影响。这种现象对通信器材通信质量有影响。尽管产品设计可最小化这种机械振动的影响,我们推荐事先检查并按照下列安装指南进行操作。




NSK晶振,插件晶振,NXG SMD晶振,进口晶体谐振器