爱普生株式会社爱普生拓优科梦,(EPSON — YOCOM)1942年成立时是精工集团的第三家手表制造公司,以石英手表起家的爱普生公司到后续的生产TCXO晶振,1996年2月在中国苏州投资建厂,在当时员工人数就达2000人,总投资4.055亿美元,公司占地200亩,现已经是世界500强企业.
爱普生晶振,温补晶振,TG-5035CG晶振,X1G0038510014晶振,小型SMD有源晶振,体积的变小也使产品带来了更高的稳定性能,接缝密封石英晶体振荡器,精度高,覆盖频率范围宽的特点,SMD高速自动安装和高温回流焊设计,Optionable待机输出三态输出功能,电源电压范围:1.8V?5 V,高稳定性,低抖动,低功耗,主要应用领域:无线通讯,高端智能手机,平板笔记本WLAN,蓝牙,数码相机,DSL和其他IT产品的晶振应用,三态功能,PC和LCDM等高端数码领域,符合RoHS/无铅.
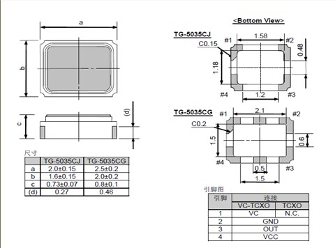
超小型石英贴片晶振晶片的设计:石英晶片的长宽尺寸已要求在±0.002mm内,由于贴片晶振晶片很小导致晶体的各类寄生波(如长度伸缩振动,面切变振动)与主振动(厚度切变振动)的耦合加强,从而造成如若石英晶振晶片的长度或宽度尺寸设计不正确、使得振动强烈耦合导致石英晶振的晶片不能正常工作,从而导致产品在客户端不能正常使用,晶振的研发及生产超小型石英晶振完成晶片的设计特别是外形尺寸的设计是首要需解决的技术问题,公司在此方面通过理论与实践相结合,模拟出一整套此石英晶振晶片设计的计算机程序,该程序晶振的晶片外形尺寸已全面应用并取得很好的效果。
|
项目 |
符号 |
规格说明 |
条件 |
|
输出频率范围 |
f0 |
13~52MHZ |
请联系我们以便获取其它可用频率的相关信息 |
|
电源电压 |
VCC |
1.7 V to 3.3 V |
请联系我们以了解更多相关信息 |
|
储存温度 |
T_stg |
-55℃to +125℃ |
裸存 |
|
工作温度 |
T_use |
G: -40℃to +85℃ |
请联系我们查看更多资料http://www.crystal95.com |
|
H: -40℃to +105℃ |
|||
|
J: -40℃to +125℃ |
|||
|
频率稳定度 |
f_tol |
J: ±50 × 10-6 |
|
|
L: ±100 × 10-6 |
|||
|
T: ±150 × 10-6 |
|||
|
功耗 |
ICC |
3.5 mA Max. |
无负载条件、最大工作频率 |
|
待机电流 |
I_std |
3.3μA Max. |
ST=GND |
|
占空比 |
SYM |
45 % to 55 % |
50 % VCC极, L_CMOS≦15 pF |
|
输出电压 |
VOH |
VCC-0.4V Min. |
|
|
VOL |
0.4 V Max. |
|
|
|
输出负载条件 |
L_CMOS |
15 pF Max. |
|
|
输入电压 |
VIH |
80% VCCMax. |
ST终端 |
|
VIL |
20 % VCCMax. |
||
|
上升/下降时间 |
tr / tf |
4 ns Max. |
20 % VCCto 80 % VCC极, L_CMOS=15 pF |
|
振荡启动时间 |
t_str |
3 ms Max. |
t=0 at 90 % |
|
频率老化 |
f_aging |
±3 × 10-6/ year Max. |
+25℃,初年度,第一年 |
爱普生TCXO进口日产晶振型号列表:
Model
Frequency
LxWxH
Output Wave
F.Tol@25°C
Ope Temperature
Freq/Temp
I [Max]
Freq. Control
25°C Aging
TG-5035CG
16.369000 MHz
2.50 x 2.00 x 0.80 mm
Clipped sine wave
+/-2.0 ppm
-30 to +85 °C
+/-0.50 ppm
≤ 1.5 mA
+/-1ppm
TG-5035CG
16.368000 MHz
2.50 x 2.00 x 0.80 mm
Clipped sine wave
+/-2.0 ppm
-30 to +85 °C
+/-0.50 ppm
≤ 1.5 mA
+/-1ppm
TG-5035CG
24.000000 MHz
2.50 x 2.00 x 0.80 mm
Clipped sine wave
+/-2.0 ppm
-40 to +85 °C
+/-2.20 ppm
≤ 1.5 mA
+/-1ppm
TG-5035CG
32.000000 MHz
2.50 x 2.00 x 0.80 mm
Clipped sine wave
+/-1.0 ppm
-10 to +55 °C
+/-0.50 ppm
≤ 2.0 mA
+/-6ppm
TG-5035CG
40.000000 MHz
2.50 x 2.00 x 0.80 mm
Clipped sine wave
+/-2.0 ppm
-40 to +85 °C
+/-0.50 ppm
≤ 2.0 mA
+/-1ppm
TG-5035CG
38.400000 MHz
2.50 x 2.00 x 0.80 mm
Clipped sine wave
+/-1.5 ppm
-30 to +85 °C
+/-0.50 ppm
≤ 1.8 mA
+/- 5 to +/- 12 Vc = 0.9V +/- 0.6V
+/-1ppm
TG-5035CG
16.369000 MHz
2.50 x 2.00 x 0.80 mm
Clipped sine wave
+/-2.0 ppm
-40 to +85 °C
+/-0.50 ppm
≤ 1.5 mA
+/-1ppm
TG-5035CG
33.600000 MHz
2.50 x 2.00 x 0.80 mm
Clipped sine wave
+/-1.0 ppm
-30 to +85 °C
+/-0.50 ppm
≤ 1.5 mA
+/-1ppm
TG-5035CG
24.000000 MHz
2.50 x 2.00 x 0.80 mm
Clipped sine wave
+/-2.0 ppm
-40 to +85 °C
+/-0.50 ppm
≤ 1.2 mA
+/-1ppm
TG-5035CG
26.000000 MHz
2.50 x 2.00 x 0.80 mm
Clipped sine wave
+/-2.0 ppm
-40 to +85 °C
+/-0.50 ppm
≤ 1.5 mA
+/-1ppm
爱普生TCXO进口日产晶振编码列表:
| X1G0038510014 | TG-5035CG | 16.369000 MHz | 2.50 x 2.00 x 0.80 mm | Clipped sine wave | +/-2.0 ppm | -30 to +85 °C | +/-0.50 ppm | ≤ 1.5 mA | +/-1ppm | |
| X1G0038510016 | TG-5035CG | 16.368000 MHz | 2.50 x 2.00 x 0.80 mm | Clipped sine wave | +/-2.0 ppm | -30 to +85 °C | +/-0.50 ppm | ≤ 1.5 mA | +/-1ppm | |
| X1G0038510032 | TG-5035CG | 24.000000 MHz | 2.50 x 2.00 x 0.80 mm | Clipped sine wave | +/-2.0 ppm | -40 to +85 °C | +/-2.20 ppm | ≤ 1.5 mA | +/-1ppm | |
| X1G0038510039 | TG-5035CG | 32.000000 MHz | 2.50 x 2.00 x 0.80 mm | Clipped sine wave | +/-1.0 ppm | -10 to +55 °C | +/-0.50 ppm | ≤ 2.0 mA | +/-6ppm | |
| X1G0038510042 | TG-5035CG | 40.000000 MHz | 2.50 x 2.00 x 0.80 mm | Clipped sine wave | +/-2.0 ppm | -40 to +85 °C | +/-0.50 ppm | ≤ 2.0 mA | +/-1ppm | |
| X1G0038510043 | TG-5035CG | 38.400000 MHz | 2.50 x 2.00 x 0.80 mm | Clipped sine wave | +/-1.5 ppm | -30 to +85 °C | +/-0.50 ppm | ≤ 1.8 mA | +/- 5 to +/- 12 Vc = 0.9V +/- 0.6V | +/-1ppm |
| X1G0038510049 | TG-5035CG | 16.369000 MHz | 2.50 x 2.00 x 0.80 mm | Clipped sine wave | +/-2.0 ppm | -40 to +85 °C | +/-0.50 ppm | ≤ 1.5 mA | +/-1ppm | |
| X1G0038510051 | TG-5035CG | 33.600000 MHz | 2.50 x 2.00 x 0.80 mm | Clipped sine wave | +/-1.0 ppm | -30 to +85 °C | +/-0.50 ppm | ≤ 1.5 mA | +/-1ppm | |
| X1G0038510077 | TG-5035CG | 24.000000 MHz | 2.50 x 2.00 x 0.80 mm | Clipped sine wave | +/-2.0 ppm | -40 to +85 °C | +/-0.50 ppm | ≤ 1.2 mA | +/-1ppm | |
| X1G003851A058 | TG-5035CG | 26.000000 MHz | 2.50 x 2.00 x 0.80 mm | Clipped sine wave | +/-2.0 ppm | -40 to +85 °C | +/-0.50 ppm | ≤ 1.5 mA | +/-1ppm |
卫星导航晶振产品使用每种产品时,请在规格说明或产品目录规定使用条件下使用。因很多种晶振产品性能,以及材料有所不同,所以使用注意事项也有所不同,比如焊接模式,运输模式,保存模式等等,都会有所差别。爱普生晶振,温补晶振,TG-5035CG晶振,X1G0038510014晶振
所有产品的共同点1:抗冲击:抗冲击是指日产晶体振荡器产品可能会在某些条件下受到损坏。例如从桌上跌落,摔打,高空抛压或在贴装过程中受到冲击。如果产品已受过冲击请勿使用。因为无论何种石英晶振,其内部晶片都是石英晶振制作而成的,高空跌落摔打都会给晶振照成不良影响。2:辐射:将贴片晶振暴露于辐射环境会导致产品性能受到损害,因此应避免阳光长时间的照射。3:化学制剂 / pH值环境:请勿在PH值范围可能导致腐蚀或溶解石英晶振或包装材料的环境下使用或储藏这些产品。
4:粘合剂:请勿使用可能导致所用的封装材料,终端,组件,玻璃材料以及气相沉积材料等受到腐蚀的胶粘剂。(比如,氯基胶粘剂可能腐蚀一个晶振的金属“盖”,从而破坏密封质量,降低性能。)5:卤化合物:请勿在卤素气体环境下使用薄型高精度SMD晶振。即使少量的卤素气体,比如在空气中的氯气内或封装所用金属部件内,都可能产生腐蚀。同时,请勿使用任何会释放出卤素气体的树脂。6:静电:过高的静电可能会损坏贴片晶振,请注意抗静电条件。请为容器和封装材料选择导电材料。在处理的时候,请使用电焊枪和无高电压泄漏的测量电路,并进行接地操作。




希华晶振,有源晶振,SCO-2520晶振,进口有源晶振
爱普生晶振,有源晶振,SG-9101CG晶振,X1G0052910011晶振
百利通亚陶晶振,有源晶振,FJ晶振,FJ2400011晶振
百利通亚陶晶振,温补晶振,JT晶振,JT15260001晶振
爱普生晶振,有源晶振,SG-8101CG晶振,X1G0051810011晶振
KYOCERA晶振,无源晶振,CX2520DB晶振,CX2520DB16000D0GEJCC晶振
KYOCERA晶振,32.768K有源晶振,KC2520B晶振,KC2520B32K7680CM2E00晶振