康华尔电子有限公司——晶振行业进口晶振品牌代理商

手机端 手机二维码 收藏KON微信号 微信号 网站地图

康华尔电子-中国供应商

KONUAER NIHON DEMPA KOGYO CO., LTD.

客户至上—进口晶振品牌选择康华尔

全国统一服务热线:

86-0755-27838351

晶振帝国
prevnext

Raltron晶振,进口插件晶振,AS晶体

频率:3.500MHz~70.000MHz

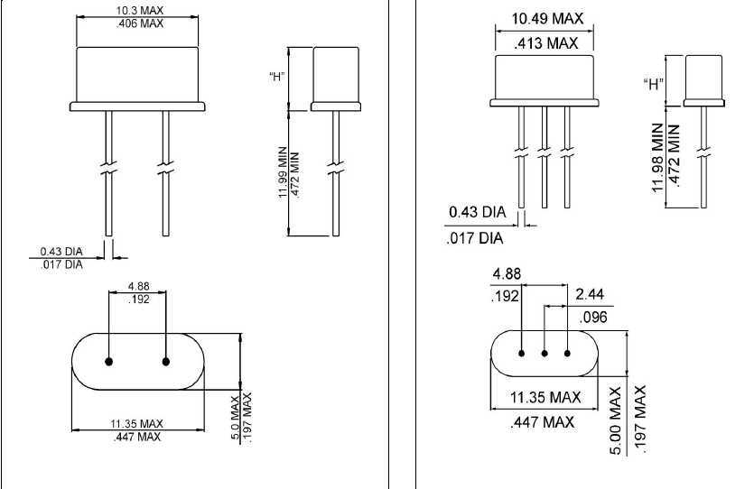
尺寸:11.35*5.0mm

引脚焊接型石英晶体元件.工厂仓库长时间大量库存常用频点,.高精度的频率和无源晶振本身更低的等效串联电阻.常用负载电容,49/S石英晶振,因插件型镜头成本更低和更高的批量生产能力.主要应用于电视,机顶盒,LCDM和游戏机家用常规电器数码产品等的最佳选择.符合RoHS/无铅.
订购热线:86-0755-27838351
QQ咨询 点击这里给我发消息 Raltron晶振,进口插件晶振,AS晶体

1

Raltron晶振,进口插件晶振,AS晶体.智能手机晶振,产品具有高精度超小型的表面引脚型石英晶体谐振器,最适用于移动通信终端的基准时钟等移动通信领域.比如智能手机,无线通信,卫星导航,平台基站等较高端的数码产品,晶振本身小型,轻型具备各类移动通信的基准时钟源用频率,49S晶振具有优良的电气特性,耐环境性能适用于移动通信领域,满足无铅焊接的高温回流温度曲线要求.

拉隆晶振公司在1983年成立于迈阿密,拉隆电子公司已经发展成为其中之一公认的经验丰富的频率管理产品制造商在世界各地.从简单音叉石英晶体到高稳定性控制晶体振荡器,拉隆提供最多全行业的频率管理设备. 公司对研发的承诺使得不断创造领先边缘晶体和振荡器器件和技术多年.今天,拉尔特龙提供高性能频率控制解决方案满足和超越客户的期望价格,质量,应用工程和客户支持.

石英晶振高精度晶片的抛光技术:贴片智能家居晶振是目前晶片研磨技术中表面处理技术的最高技术,最终使晶振晶片表面更光洁,平行度及平面度更好,降低谐振电阻,提高Q值.从而达到一般研磨所达不到的产品性能,使石英晶振的等效电阻等更接近理论值,使晶振可在更低功耗下工作.使用先进的牛顿环及单色光的方法去检测晶片表面的状态.

2

Raltron晶振

单位

AS晶振

石英晶振基本条件

标准频率

f_nom

3.500MHz~70.000MHz

标准频率

储存温度

T_stg

-55°C~+125°C

裸存

工作温度

T_use

-20℃~+70℃

-40℃~+85℃

标准温度

激励功率

DL

1.0μW Max.

推荐:10μW

频率公差

f_— l

±30ppm

+25°C 对于超出标准的规格说明,
请联系我们以便获取相关的信息,http://www.crystal95.com/

频率温度特征

f_tem

30 × 10-6,±50 × 10-6

超出标准的规格请联系我们.

负载电容

CL

10pF~32pF

不同负载要求,请联系我们.

串联电阻(ESR)

R1

如下表所示

-40°C —  +85°C, DL = 100μW

频率老化

f_age

±3× 10-6/year Max.

+25°C,第一年

3

AS-(hc-49s) 11.4_4.5

4

安装方向

进口晶体振荡器的不正确安装会导致故障以及崩溃,因此安装时,请检查安装方向是否正确.

通电

不建议从中间电位和/或极快速通电,否则会导致有源晶体无法产生振荡和/或非正常工作.

存储事项

(1)在更高或更低温度或高湿度环境下长时间保存高质量石英晶振产品时,会影响频率稳定性或焊接性.请在正常温度和湿度环境下保存这些晶体产品,并在开封后尽可能进行安装,以免长期储藏.

正常温度和湿度:温度:+15°C至+35°C,湿度25%RH至85%RH(请参阅“测试点JISC60068-1/IEC60068-1的标准条件”章节内容).

(2)请仔细处理内外盒与卷带.外部压力会导致卷带受到损坏.

耐焊性

加热包装材料至+150°C以上会破坏产品特性或损害谐振器.如需在+150°C以上焊接晶体产品,建议使用SMD晶体.在下列回流条件下,对环保晶振产品甚至使用更高温度,会破坏产品特性.建议使用下列配置情况的回流条件.安装这些产品之前,应检查焊接温度和时间.同时,在安装条件更改的情况下,请再次进行检查.如果需要焊接的晶体产品在下列配置条件下进行焊接,请联系我们以获取耐热的相关信息.


清洗

关于一般清洗液的使用以及超声波清洗没有问题,但这仅仅是对单个石英晶体产品进行试验所得的结果,因此请根据实际使用状态进行确认.

由于音叉型晶体谐振器的频率范围和超声波清洗机的清洗频率很近,容易受到共振破坏,因此请尽可能避免超声波清洗.

若要进行超声波清洗,必须事先根据实际使用状态进行确认.

AS

5

采购:Raltron晶振,进口插件晶振,AS晶体

  • *联系人:
  • *手机:
  • 公司名称:
  • 邮箱:
  • *采购意向:
  • *验证码:验证码

跟此产品相关的产品 / Related Products

联系***Contact us
咨询热线:0755-278383514

电话:+86-0755-278383514

手机:138-2330-0879

QQ:632862232

邮箱:konuaer@163.com

地址:广东深圳市宝安宝安大道东95号浙商银行大厦1905