86-0755-27838351

频率:8MHz至52MHz
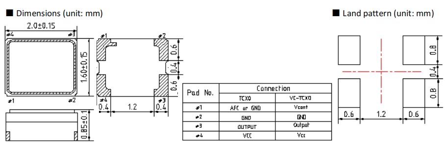
尺寸:2.0x1.6x0.85mm
BXT-201(V),TCXO,2016mm,LiHom有源晶振,GPS模块晶振,韩国进口晶振,Lihom力宏晶振,型号:BXT-201(V)系列晶振,频率范围:8MHz至52MHz,电源电压:+1.7V~+3.3V。工作温度范围:-30℃至+85℃,小体积晶振尺寸:2.0x1.6x0.85mm,四脚贴片晶振,TCXO温补晶体振荡器,温补晶振,有源晶振,石英晶振,热敏晶振,石英晶体振荡器,2016晶振,SMD晶振。具有超小型,轻薄型,低抖动,低功耗,低相位噪声,低电压,低耗能,低损耗等特点。应用程序:蜂窝电话(GSM、CDMA和WCDMA),GPS模块晶振,WIBRO、DMB、PDA,中继器等。
BXT-201(V),TCXO,2016mm,LiHom有源晶振,GPS模块晶振,产品特点:
-2.0 x 1.6 x 0.85(最大)mm表面安装石英晶体单元
-带有热敏电阻,石英晶体振荡器
-优异的可靠性特性,如热和机械冲击
-不含铅且满足RoHs要求
-可进行回流焊接
BXT-201(V),TCXO,2016mm,LiHom有源晶振,GPS模块晶振,参数表
For Cellular
For GPS
Output Frequency
8.0 MHz ~ 52.0 MHz
8.0 MHz ~ 52.0 MHz
Supply Voltage
DC +1.7V ~ +3.3V
DC +1.7V ~ +3.3V
Output Level (10k?//10pF)
0.8 Vp-pmin.
0.8 Vp-pmin.
Current Consumption
1.5 mA Max. (Below 32 MHz)
2.0 mA Max. (Above 32 MHz)
1.5 mA Max. (Below 32 MHz)
2.0 mA Max. (Above 32 MHz)
Operating Temperature Range
-30’C ~ +85’C
-30’C ~ +85’C
Storage Temperature Range
-40’C ~ +85’C
-40’C ~ +85’C
Frequency Stability
vs. Temperature (Refer to 25’C)
±1.0, ±2.0 ppm Max.
±0.5 ppm Max.
vs. Supply Voltage (±5%)
±0.1 ppm Max.
±0.1 ppm Max.
vs. Load (10k?//10pF)
±0.1 ppm Max.
±0.1 ppm Max.
vs. Aging (per 1 year)
±1.0 ppm Max.
±1.0 ppm Max.
Frequency Tolerance (Initial at 25’C)
±1.0 ppm Max.
±1.0 ppm Max.
Frequency Tolerance (After Reflow)
±1.0 ppm Max.
±1.0 ppm Max.
AFC characteristics
Specify
Specify
Harmonics
-8 dBc Max.
-8 dBc Max.
Frequency Slope
at -20 ~ 65’C
±0.1 ppm/’C Max.
±0.05 ppm/’C Max.
at -30 ~ 85’C
±0.2 ppm/’C Max.
±0.1 ppm/’C Max.
BXT-201(V),TCXO,2016mm,LiHom有源晶振,GPS模块晶振,尺寸图



电话:+86-0755-278383514
手机:138-2330-0879
QQ:632862232
地址:广东深圳市宝安宝安大道东95号浙商银行大厦1905